Phương pháp xử lý sai lệch vị trí móng
Nguyên nhân thường gặp của sự cố sai vị trí móng thường là: Sai sót trong khảo sát; Sai sót trong thiết kế; Sai sót trong thi công; Hay ảnh hưởng của công trình bên cạnh, xếp tải trên mặt đất quá lớn.
Vậy phương pháp xử lý sự cố sai lệch móng như thế nào?
Phương pháp xử lý sự cố sai lệch vị trí móng và lựa chọn có thể chọn mấy loại dưới đây:
Phương pháp xử lí sai lệch sự cố móng
1. Phương pháp cẩu chuyển dịch: sau khi tách rời nóng lệch khỏi nền, dùng cấu cấu móng rời khỏi vị trí. Sau đó, một mặt xử lí tốt nền ở vị trí móng chính xác, mặt khác dọn sạch đáy móng. Sau khi hai loại công việc này đều hoàn thành, cầu lắp móng vào vị trí chính xác. Đ đảm bảo móng và nền tiếp xúc tốt, có thể đặt lớp vữa lót. Khi cần thiết, còn có thể nhổi vừa áp lực. Phương pháp này thường dùng cho: Kết cấu bên trên chưa thi công; Hiện trường có thiết bị cẩu; Móng có đủ cường độ và khả năng chống nứt.
2. Phương pháp kích đẩy: dùng kích đẩy móng sai vị trí đến vị trí chính xác. Sau đó lưới đáy móng nhối vữa xi măng có áp lực, đảm bảo nóng và lẩn tiếp xúc tốt. Phương pháp này thường dùng cho: Kết cấu bên trên chưa thi công; Có thiết bị kích đẩy phù hợp; Trường hợp sau khi kích đẩy, biện pháp chống đỡ mà lực tì cần lương đối đơn giản.
3. Phương pháp kích đây kéo: nếu móng và kết cấu bên trên cùng bị lệch vị trí, thường dùng kích đẩy móng đến vị trí chính xác, đồng thời, ở vị trí thích đáng của kết cấu bên trên buộc dây thép dùng tăng đơ hoặc tại tay để kéo, khiến cho kết cấu bên trên và móng cùng đồng thời trở về vị trí chính xác.
4. Phương pháp mở rộng: Sau khi lỡ bỏ cục bộ móng sai vị trí, mở rộng móng theo vị trí chính xác. Phương pháp này thường dùng cho: Móng sai vị trí không ảnh hưởng các công trình ngẩn khác; Móng cho phép bố trí khe thi công.
5. Phương pháp thay thế: nếu kết cấu bên trên đã xong, mà thấy móng sai lệch vị trí nghiêm trọng, có thể dùng hệ thống chống đỡ tạm thời chống đỡ kết cấu bên trên, sau đó tách rời liên kết giữa nóng và cột, sửa chữa lệch vị trí móng. Cuối cùng, lại liên kết cột với móng đã ở vị trí chính xác. Thời gian thi công của phương pháp này tương đối dài, tương đối tốn kém, đồng thời lại ảnh hưởng đến sản xuất.
6. Các phương pháp khác:
- Dỡ bỏ làm lại: với sự cổ móng nghiêm trọng, chỉ có thể chữ bố làm lại.
- Tính toán lại kết cấu: sự cố móng sai lệch vị trí đã không ảnh hưởng đến an toàn kết cấu và yêu cầu sử dụng, lại không cản trở thi công, thông qua tính toán lại kể cấu, đồng thời được đơn vị thiết kế đồng ý, có thể không cần tiến hành xử lí.
- Sửa chữa thiết kế: Sau khi phóng sai lệch vị trí, thay đổi thiết kế kết cấu bên trên để đảm bảo yêu cầu sử dụng và an toàn kết cấu.
Ví dụ xử lý sự cố sai vị trí móng: Xử lý sự cố sai lệch vị trí móng cột nhà xưởng một tầng kiểu lắp ghép:
1. Khái quát công trình
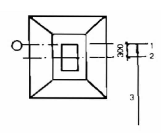
Công trình mở rộng phân xưởng gia công máy của nhà máy đóng tàu Tứ Xuyên, kích thước mặt cắt cột bên là 400 x 600 mm. Khi thi công móng, hố móng của cột đào từng đợt, sau khi đào xong 5 hố móng đã đổ lớp đệm, buộc cốt thép, dựng ván khuôn, đổ bê tông. Sau khi xong móng, kiểm tra phát hiện 5 món đều sai lệch vị trí 300 mm.
Sơ đồ sai lệch vị trí móng cột
1. Vị trí đường trục chính xác
2. Đường tim của mặt cắt cột
Kích thước độ khẩn của gian xưởng.
2. Nguyên nhân sự cố
Khi phóng tuyến thi công, đã nhầm đường tim của mặt cắt cột là đường trục của dãy cột bên của gian xưởng, vì vậy sai lệch vị trí 300 mm, có nghĩa là khẩu độ gian xưởng mở rộng thêm 300nm.
3. Xử lí sự cố
Cán bộ thi công hiện trường cho rằng, để tránh tốn kém thi công lại, đề nghị lấy vị trí 5 nóng đã thi công làm chuẩn, hoàn thành công việc thi công của toàn bộ phân xưởng. Nghĩa là toàn bộ chiểu rộng (khẩu độ) của phân xưởng tăng thêm 300 mm. Thấy rằng phương án này có một số phiền phức dưới đây, do có không dùng:
- Kết cấu bên trên xuất hiện các cấu kiện phi tiêu chuẩn, phải thiết kế lại, đồng thời thi công và lắp đặt cũng tăng thêm nhiều phiền phức:
- Cầu trục trong phân xưởng cũng là sản phẩm phi tiêu chuẩn, không thể đặt mua được:
- Anh hưởng tới bố trí toàn bộ mặt bằng phân xưởng.
Dựa vào điều kiện thiết bị lúc đó ở hiện trường, chưa dùng phương pháp cẩu chuyển dịch và phương pháp kích đấy, mà sau khi dỡ bỏ một phần, dùng phương pháp mở rộng móng để tiến hành xử lí , những điểm chính xử lí là:
Sơ đồ vị trí móng lệch vị trí
1. Đục bỏ một phần miệng cốc;
2. Đục bỏ một phía của móng, để lộ cốt thép đáy móng;
3. Phần mở rộng móng; 4. Đường trục cột bên gian máy.
- Đục bỏ bê tông Cạnh ngắn của miệng cốc của móng;
- Đục bỏ một phần bê tông móng, để lộ ra cốt thép tấm đáy;
- Đục xờm toàn bộ mặt liên kết giữa móng và phần mở rộng;
- Mở rộng lớp đệm bê tông móng, lối dài cốt thép tấm đáy;
- Sau khi rửa và làm no nước của một liên kết của móng cũ, đổ bê tông phần mở rộng.
4. Hiệu quả xử lí
Phương án xử lí đã cùng, có ưu điểm là thi công thuận lợi, chi phí thấp, không cần dùng thiết bị chuyên dụng, kết cấu an toàn tin cậy.
>>>> Xem thêm:
Nguyên nhân thường gặp của sai vị trí móng
Xử lý sự cố công trình nền bằng phương pháp thay thế mở rộng móng
Những sản phẩm không thể thiếu trong nhà
Những sản phẩm không thể thiếu trong nhà
Bạn muốn sửa chữa các đồ dùng thiết bị hư hỏng trong nhà mà thiếu những sản phẩm sau thì việc sửa chữa sẽ khó khăn hơn rất nhiều. Hãy để công cụ hỗ trợ đời sống bạn tốt hơn, những sản phẩm đang bán chạy rất được các chủ nhà ưa chuộng hiện nay.
1. Bộ Dụng Cụ Sửa Chữa Gia Đình Đa Năng 16 Món Tiện Dụng
- Bộ Dụng Cụ Sửa Chữa Gia Đình Đa Năng 16 Món là vật dụng tiện ích cần thiết cho mọi gia đình giúp bạn sửa chữa đồ điện gia dụng, xe máy, xe đạp… một cách nhanh chóng và tiện lợi.
- Gồm 16 món: cờ lê, kềm, búa, tua vít, keo, thước, dao dọc giấy, thước kéo, băng dính điện..., công cụ hỗ trợ hiệu quả cho công việc sửa chữa các vật dụng điện trong nhà.
- Các dụng cụ được làm từ chất liệu thép cao cấp, bền đẹp, sáng bóng, không gỉ.
- Tay cầm của các dụng cụ được bọc nhựa cách điện, cách nhiệt, êm ái cho đôi tay.
- Bộ sản phẩm với thiết kế nhỏ gọn với hộp đựng tiện dụng, đẹp, xinh xắn, tiết kiệm diện tích không gian nhà bạn và dễ dàng vận chuyển.
2. Đầu vòi lọc nước rửa bát tăng áp xoay 360 có thể kéo dài, chống bắn nước ra ngoài cực hiệu quả
3. Ổ Cắm Điện USB Đa Năng Cao Cấp Chống Giật Dây Dài 4m Công suất 2500W, 2 Cổng Cắm USB Có Chốt An Toàn Tiện Dụng
4. BỘ VÒI RỬA TĂNG ÁP LỰC & DÂY NHỰA PVC DẺO , VÒI TƯỚI CÂY - RỬA XE GIA ĐÌNH
Nếu Quý Khách đang có nhu cầu xây nhà hoặc sửa chữa lại nhà

CÔNG TY TNHH XÂY DỰNG - THƯƠNG MẠI - DỊCH VỤ PHÚC BÌNH AN
Địa chỉ: 30/3 Kp4, P.An Bình, Biên Hòa, Đồng Nai
Hotline: 0913 696981
Email: xaydungphucbinhan@gmail.com







Xem thêm